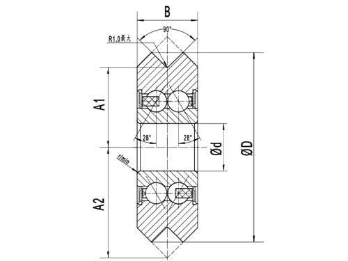
W SOROZATÚ LINE VÁGGÖRGŐS CSAPÁGY
| Kerekek sz | Furat mm | O.D. Mm | Szélesség mm | A1 | A2 | Letörés r/perc mm | Terhelés | Súly | |
| SUNTHAI | D1 | D | B | A1 | A2 | R/perc | Cr(N) | Kukorica) | Kg |
| W0 | 4 | 14.84 | 6.35 | 5.94 | 9.12 | 0.3 | 1 | 0.5 | 5 |
| W0X | 4 | 14.84 | 6.35 | 5.94 | 9.12 | 0.3 | 1 | 0.5 | 5 |
| W1 | 4.763 | 19.56 | 7.87 | 7.9 | 11.86 | 0.3 | 2.2 | 1 | 11 |
| W1X | 4.763 | 19.56 | 7.87 | 7.93 | 11.86 | 0.3 | 2.2 | 1 | 11 |
| W2 | 9.525 | 30.73 | 11.1 | 12.7 | 18.24 | 0.3 | 4.9 | 2.5 | 38 |
| W2X | 9.525 | 30.73 | 11.1 | 12.7 | 18.24 | 0.3 | 4.9 | 2.5 | 38 |
| W3 | 12 | 45.72 | 15.88 | 19.05 | 26.98 | 0.6 | 9.4 | 4.9 | 130 |
| W3X | 12 | 45.72 | 15.88 | 19.05 | 26.98 | 0.6 | 9.4 | 4.9 | 130 |
| W4 | 15 | 59.94 | 19.05 | 25.4 | 34.93 | 1 | 14.8 | 8.2 | 280 |
| W4X | 15 | 59.94 | 19.05 | 25.4 | 34.93 | 1 | 14.8 | 8.2 | 280 |
| W4XL | 22 | 75.39 | 25.4 | 31.75 | 44.45 | 1.1 | 20.6 | 14.3 | 580 |
| W4XXL | 22 | 75.39 | 25.4 | 31.75 | 44.45 | 1.1 | 20.6 | 14.3 | 580 |
| W1SSX | 4.763 | 19.56 | 7.87 | 7.93 | 11.86 | 0.3 | 2.2 | 1 | 11 |
| W2SSX | 9.525 | 30.73 | 11.1 | 12.7 | 18.24 | 0.3 | 4.9 | 2.5 | 38 |
| W3SSX | 12 | 45.72 | 15.88 | 19.05 | 26.98 | 0.6 | 9.4 | 4.9 | 130 |
| W4SSX | 15 | 59.94 | 19.05 | 25.4 | 34.93 | 1 | 14.8 | 8.2 | 280 |
Az ipari gépek felgyorsult világában a hatékonyság, a tartósság és a helytakarékos tervezés iránti törekvés soha nem ér véget. A mérnökök és a karbantartási menedzserek folyamatosan keresik azokat ...
OLVASS TOVÁBBAz ipari gépekben, automatizált gyártósorokban és nehéz berendezésekben a görgőscsapágyak döntő szerepet játszanak. Támogatják és irányítják a gördülő alkatrészek mozgását, biztosítva a berendezés ...
OLVASS TOVÁBBA nagy teherbírású gépeknél a csapágyak kiválasztása döntő jelentőségű. Nemcsak a forgási és támogatási feladatokat látják el, hanem közvetlenül befolyásolják a berendezés stabilitását, tartósságát...
OLVASS TOVÁBBKétsoros golyóscsapágyak széles körben használják motorokban, mechanikus berendezésekben, ventilátorokban, autóalkatrészekben és más alkalmazásokban, mivel egyszerre képesek ellenállni a radi...
OLVASS TOVÁBB W sorozatú lineáris görgős csapágyak : a pontosság és a hatékonyság tökéletes kombinációja
A Ningbo Wanshun W sorozatú lineáris görgőscsapágyait kifejezetten úgy tervezték, hogy megfeleljenek a nagy pontosság, a nagy terhelés és a hosszú élettartamú lineáris mozgás igényeinek. Ez a terméksorozat fejlett anyagtudományi és gyártási folyamatokat alkalmaz annak biztosítására, hogy a csapágyak rendkívül alacsony súrlódási együtthatót és kiváló mozgásstabilitást tartsanak fenn, miközben hatalmas axiális és radiális terhelést viselnek. A W sorozatú lineáris görgőscsapágyak nemcsak hatékonyan csökkenthetik a mechanikai kopást és meghosszabbíthatják a berendezések élettartamát, hanem jelentősen javíthatják a mozgás pontosságát és a reakciósebességet is. Ideális választás precíziós szerszámgépekhez, automatizálási berendezésekhez, ipari robotokhoz és más területekhez.
A W sorozatú lineáris görgőscsapágyak kutatási és fejlesztési folyamatában a Ningbo Wanshun folyamatosan áttöréseket kutat. A vállalat vezető mérnökökből és tudományos kutatókból álló kutató-fejlesztő csapattal rendelkezik, akik szorosan követik a legújabb nemzetközi technológiai trendeket, és folyamatosan optimalizálják az innovatív termékterveket a piaci igényeknek megfelelően. A Ningbo Wanshun sikeresen megoldotta a hagyományos lineáris görgőscsapágyak szűk keresztmetszeti problémáit a kopásállóság, a teherbírás és az élettartam tekintetében azáltal, hogy fejlett anyagösszetételeket, hőkezelési eljárásokat és precíziós megmunkálási technológiákat alkalmaz, így a W sorozatú lineáris görgős csapágyak minőségi ugrást tesznek. teljesítmény.
A minőség a Ningbo Wanshun mentőöve. A W sorozatú lineáris görgőscsapágyak gyártási folyamata során a vállalat szigorúan követi az ISO9001 minőségirányítási rendszer szabványát, és teljes körű minőségellenőrzést végez a nyersanyagbeszerzés, a gyártás és feldolgozás, a késztermék-ellenőrzés és egyéb szempontok tekintetében. A vállalat fejlett vizsgálóberendezésekkel és professzionális tesztelőcsapattal rendelkezik, hogy szigorúan ellenőrizze a termékek különféle teljesítménymutatóit, hogy biztosítsa, hogy a W sorozatú lineáris görgőscsapágyak mindegyike megfeleljen, vagy akár meg is haladja az ipari szabványokat. Ez a végső minőségi törekvés tette lehetővé, hogy a Ningbo Wanshun W sorozatú lineáris görgőscsapágyai jó hírnevet és széles körű bizalmat szerezzenek a piacon.
Az ipari automatizálás és az intelligens gyártás gyors fejlődésével a W sorozatú lineáris görgőscsapágyak iránti piaci kereslet napról napra nő. A Ningbo Wanshun W sorozatú lineáris görgőscsapágyait kiváló teljesítményük és megbízható minőségük miatt széles körben használják CNC szerszámgépekben, automatizált gyártósorokban, ipari robotokban, félvezető berendezésekben, orvosi berendezésekben és más területeken. A csúcskategóriás berendezések között a W sorozatú lineáris görgőscsapágyak létfontosságú szerepet játszanak, nemcsak a berendezés általános teljesítményét és pontosságát javítják, hanem elősegítik a kapcsolódó iparágak átalakítását, korszerűsítését és magas színvonalú fejlesztését is.